mayor77 Опубликовано 10 июля, 2009 Опубликовано 10 июля, 2009 Как мне сказал Сергей с Нахимовсого, там очень тонкие контакты в этой фишке, когда повышенная влажность идет сообщение между жилами, надо побрызгать ВДэшой... Я с дуру один раз побрызгал... хорошо, что до дома было недалеко, еле доехал , ну что удивительно, со следующего дня проблемма исчезла на 100%. Я так понял из ВДэшки ненужное испарилось (то что еще хуже замыкало ) , а защитная пленка осталась... И вот где то с апреля проблемма ниразу не вылезала, хотя и дожди были сумасшедшие, рыбалки и т.д. Хотя, думаю есть средства получше ВДэшки, типо селикон и т.д.
son Опубликовано 10 июля, 2009 Опубликовано 10 июля, 2009 На Тагере не было пока, а на ВАЗ 09, после того как на мойке помыли двигатель, горел CheckEngine (Датчик детонации) и лампочка 'Тормозная жидкость'. Погасли только на следующий день, когда контакты просохли. Пока резиновые колпаки на свечах не просушили, вообще не заводилась. Ну и до кучи, аккумулятор перед мойкой надо отключать. На Тагере на трассе почти никого не обгоняю, задумчивый он, не верю педали газа и зеркалам, на которых прямо написано, что они врут (по дистанции). Не говоря уже про КПП.
Papa Hemi Опубликовано 10 июля, 2009 Опубликовано 10 июля, 2009 Как мне сказал Сергей с Нахимовсого, там очень тонкие контакты в этой фишке, когда повышенная влажность идет сообщение между жилами, надо побрызгать ВДэшой... Я пользуюсь HiGear овским Wire Dryer Для обработки высоковольтных проводов. Раз в год все контакты, которые могу достать им брызгаю. Ни на Шниве, ни на Тагере пока глюков в контактах не было. Полезная весчь.
ewg Опубликовано 10 июля, 2009 Опубликовано 10 июля, 2009 вот тока я не понял че брызгать надо то? у меня тагер уже год не разу такого не было а тут чето задурил а обычной силиконовой мазюкой можно побрызгать?
mayor77 Опубликовано 10 июля, 2009 Опубликовано 10 июля, 2009 Ложишся на коврик, над педалью газа есть белая фишка она то и дурит, вынимаешь ее и обрабатываешь...Чем? Ну ВЭДешкой наверное не стоит, потому как она сначала заливает.... как я описывал выше, думаю лучше полить специализированной хренью типо, как написал Papa Hemi "Я пользуюсь HiGear овским Wire Dryer Для обработки высоковольтных проводов. ", ну либо аналогом... Селиконовой?? Почему нет... думаю тоже вариант.. Главное, чтобы был непроводник!
LeGo Опубликовано 10 июля, 2009 Опубликовано 10 июля, 2009 Хехе, а у меня история с пропаданием газа такова: пропадание газа редко, но продолжали случаться. Ошибок же больше бортовой комп не выдавал. Весной поехал на ТО и попросил Сергея с Кулакова потестировать и исправить данный глюк. Когда забирал поинтеросавлся, сказали почистили контакты педали, но буквально через месяц снова повторяется, когда утром было прохладно и влажность. Теперь благодаря хорошим людям, знаю что и где смотреть. Супер!
Vel4x4 Опубликовано 13 июля, 2009 Опубликовано 13 июля, 2009 Как-то жарко сегодня в стольном граде было, а двигался в основном со скоростью пешехода. Так вот, на холостых, кондей выдувает чуть прохладный воздух. Разогнался, ситуация нормализуется. Решил что это не есть правильно и заехал в ближайший к дому сервис по ремонту авто кондиционеров. Резюме после проверки системы и жижи в ней: что залито - непонятно, в системе избыточное давление, странно что вообще работает! Спустили то что было, залили свеженького и свершилось чудо!!! При работе двигателя на холостых, минимально устойчивая разница температур с наружным воздухом -15 градусов! Порадовался что не поехал к дилеру. Оказывается, эта разница считается в допуске при -5!!! Лишний раз огорчил завод, все что залито в системы авто, либо откровенно похабного качества, либо разбавлено, да еще и не долито. Сегодня, в моей Тигре, из заводских жидкостей не осталось НИЧЕГО!
RaRuRi Опубликовано 13 июля, 2009 Опубликовано 13 июля, 2009 3 раз уже зависает блок управления бортовой сетью один раз было осенью, а теперь вчера завис, и сегодня опять. Проявляется тем что стеклоподъемники перестают работать, кнопка блокировки дверей и прочее. Лечится отключением аккумулятора. Этот блок, кстати, пока единственная вещь в электронике Тагера из тех что я заметил, которая нашими умельцами сделана. На нем прям и написано что он российского производства. Если дальше так пойдет, придется кнопочку "reset" для него придумывать
traktorist Опубликовано 14 июля, 2009 Опубликовано 14 июля, 2009 На нем прям и написано что он российского производства а можно его фотку? хоть узнаю что это такое....
diver Опубликовано 14 июля, 2009 Опубликовано 14 июля, 2009 а можно его фотку? хоть узнаю что это такое.... Код по ТАЗОВСКОЙ классификации : R212F-0001 , вот тут его продают: http://www.asakar.ru/service/zapchasti/ в разделе Запасные части Hyundai, 122,0 Кб Стоит у них 3227руб
RaRuRi Опубликовано 14 июля, 2009 Опубликовано 14 июля, 2009 а можно его фотку? хоть узнаю что это такое.... Он находится над педалью газа, черная коробка, закрепленная вертикально. Если опять заглючит, полезу делать и сфоткаю.
traktorist Опубликовано 14 июля, 2009 Опубликовано 14 июля, 2009 хм.....и цена похожая..... БЛОК СТИКС 8711005003Z MUSSO ; 3'145.00 РУБ БЛОК СТИКС 8711005800 MUSSO ; 2'960.00 РУБ а сколько разьемов на нем?
cacer Опубликовано 14 июля, 2009 Опубликовано 14 июля, 2009 скорей всего об одном и том же речь сходил посмотрел=один большой разъём с кучей проводов, типа ТВ-скарта...чёрная коробка над педалью аксел...я там зумер глушил скотчем
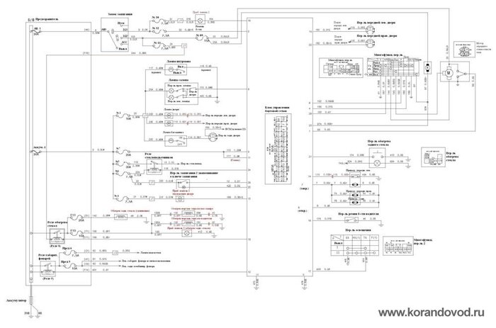
RaRuRi Опубликовано 14 июля, 2009 Опубликовано 14 июля, 2009 Разъем один, 2 ряда по 13 контактов. Тут гдето была ссылка на различные документы по тагеру на narod.ru, я оттуда схемы скачал и там есть файл BCM Tager.jpg, в котором дикозашифрованно нарисована схема подключения этого блока. Фото в предыдущем сообщении не подходит, это STICS с оригинального Корандо. Когда сигнализацию ставил, пришлось разобраться малость в электрике. Вот поставил уменьшенный файл с реальной схемой.
cacer Опубликовано 14 июля, 2009 Опубликовано 14 июля, 2009 те же яйца только в профиль...это всё из одной котомки, тока схемы разные...эта у меня тоже есть и скачано из одного места
Motorov Опубликовано 14 июля, 2009 Опубликовано 14 июля, 2009 Уже 3 раза была ситуация : едешь с кондеем, останавливаешься либо медленно катишь на холостых и за бардачком начивает гудеть и дребезжать, может продолжаться долго, устраняется приданием двиглу оборотов более 1000 либо отключением кондея. Как я понял это гремит кондей. У кого были траблы с кондеем? И сразу вопрос про то как это на СТО преподносить: как правило они берут машину на диагностику, в ходе которой могут чего-то подтянуть, но потом платишь за нормо часы. Как по гарантии кондей продиагностировать и отремонтировать, что возможно = подтянуть гайки в моем случае? инженеру по гарантии не всегда воспроизведешь это поведение кондея.
RaRuRi Опубликовано 14 июля, 2009 Опубликовано 14 июля, 2009 те же яйца только в профиль...это всё из одной котомки, тока схемы разные...эта у меня тоже есть и скачано из одного места Не согласен, на схеме корандо STICS с 3 разъемами, например ремень безопасности по проводу "YB" на разъем "С" контакт 3, а в тагере по схеме на контакт 175(18), который снизу слева третий, не знаю какой у него номер, и т.д... Я уж молчу про отсутствие у нас зуммеров, колокольчиков и систем открывания дверей без ключа... Так что по схеме корандо конечно можно разобраться, что я и делал пока не нашел нормальную схему, но по большей части методом тыка, так как у некоторых проводов даже цвета не совпадают. Еще к примеру взять контакты кнопок дверей - у корандо каждая кнопка имеет свой вход в блоке, а наши умельцы сэкономили и сделали только 2 входа и контакт правой двери соединен с задней.
Papa Hemi Опубликовано 14 июля, 2009 Опубликовано 14 июля, 2009 Уже 3 раза была ситуация : едешь с кондеем, останавливаешься либо медленно катишь на холостых и за бардачком начивает гудеть и дребезжать, может продолжаться долго, устраняется приданием двиглу оборотов более 1000 либо отключением кондея. Как я понял это гремит кондей. гудение и дребезг за бардачком иногда проявляются при включении режима рециркуляции. Открывается воздухозабор в салон и из него становятся слышны вентиляторы.......... на тихой скорости и малых оборотах общий шумовой фон тише и становится слышно. От кондея вроде ни моторов ни компрессоров за бардачком нет.
cacer Опубликовано 14 июля, 2009 Опубликовано 14 июля, 2009 Не согласен, на схеме корандо STICS с 3 разъемами, например ремень безопасности по проводу "YB" на разъем "С" контакт 3, а в тагере по схеме на контакт 175(18), который снизу слева третий, не знаю какой у него номер, и т.д...Я уж молчу про отсутствие у нас зуммеров, колокольчиков и систем открывания дверей без ключа... Так что по схеме корандо конечно можно разобраться, что я и делал пока не нашел нормальную схему, но по большей части методом тыка, так как у некоторых проводов даже цвета не совпадают. Еще к примеру взять контакты кнопок дверей - у корандо каждая кнопка имеет свой вход в блоке, а наши умельцы сэкономили и сделали только 2 входа и контакт правой двери соединен с задней. ну на стока дотошно я не вникал, повода не было повторю=схема предоставленая тобой и мной из одного огорода, качалась как раз по той ссылке для тагера ну уж зумер то есть и всех изрядно достал ну а то что вносились изменения в кострукцию нашими умельцами уже не удивляет
Motorov Опубликовано 14 июля, 2009 Опубликовано 14 июля, 2009 Уже 3 раза была ситуация : едешь с кондеем, останавливаешься либо медленно катишь на холостых и за бардачком начивает гудеть и дребезжать, может продолжаться долго, устраняется приданием двиглу оборотов более 1000 либо отключением кондея. Как я понял это гремит кондей. гудение и дребезг за бардачком иногда проявляются при включении режима рециркуляции. Открывается воздухозабор в салон и из него становятся слышны вентиляторы.......... на тихой скорости и малых оборотах общий шумовой фон тише и становится слышно. От кондея вроде ни моторов ни компрессоров за бардачком нет. так в моторном отсеке как раз в районе бардачка сливной крантик - вода от кондея сливается. А где кондей установлен? Факт в том, что дребезг и жужжание прекращается после поднятия оборотов либо отключения кондея (но не циркуляции, т.е. вентиляторов) значит там за бардачком или в том районе что-то приводимое от двигла (поднятие оборотов лечит) и это что-то связано с кондеем (отключение кондея лечит)
GolosOFF Опубликовано 14 июля, 2009 Опубликовано 14 июля, 2009 так в моторном отсеке как раз в районе бардачка сливной крантик - вода от кондея сливается. А где кондей установлен? Компрессор - под капотом, слева от БЦ, в передней его части, внизу. Это единственная часть кондиционера, где есть движущиеся детали. Факт в том, что дребезг и жужжание прекращается после поднятия оборотов либо отключения кондея (но не циркуляции, т.е. вентиляторов)значит там за бардачком или в том районе что-то приводимое от двигла (поднятие оборотов лечит) и это что-то связано с кондеем (отключение кондея лечит) От скорости вентилятора зависит? Ну типа на первой никогда, на второй редко, на третьей часто. Или еще как-нибудь. За бардачком испаритель. Это просто радиатор, где хладагент испаряется и через это охлаждается. Если он издает звуки, тут явно что-то не так. Поднятие оборотов ускоряет бег хладагента по системе, но не думаю, что это напрямую связано. Попробуй звук точнее описать.
Motorov Опубликовано 14 июля, 2009 Опубликовано 14 июля, 2009 От скорости вентилятора зависит? Ну типа на первой никогда, на второй редко, на третьей часто. Или еще как-нибудь. За бардачком испаритель. Это просто радиатор, где хладагент испаряется и через это охлаждается. Если он издает звуки, тут явно что-то не так. Поднятие оборотов ускоряет бег хладагента по системе, но не думаю, что это напрямую связано. Попробуй звук точнее описать. от скорости незнаю, звук - громкий, как что-то на цепном приводе, т.е. ощущение велосипедной цепи и немного дребезжащей звездочки, зависит от оборотов двигла - в пределе от 600 до 1000 он нарастает, потом пропадает или если кондей отключишь пропадает, у меня запись есть, вырежу кусок выложу, там wmv хитрый, а премьер его не понимает
GolosOFF Опубликовано 15 июля, 2009 Опубликовано 15 июля, 2009 от скорости незнаю, звук - громкий, как что-то на цепном приводе, т.е. ощущение велосипедной цепи и немного дребезжащей звездочки, зависит от оборотов двигла - в пределе от 600 до 1000 он нарастает, потом пропадает или если кондей отключишь пропадает, у меня запись есть, вырежу кусок выложу, там wmv хитрый, а премьер его не понимает Премьер отстой, Финал Цут - наше все;-) Лучше, конечно, если послушать дашь. Ты уверен, что источник звука под бардачком? Там кроме вентилятора ничего механического нет.
Boyaris Опубликовано 15 июля, 2009 Опубликовано 15 июля, 2009 у меня то же самое, звук похож на работающий дизель, но в салоне не слышно, а выйдешь из машины сбоку отчетливо,а спереди уже не слышно, что такое-сам не пойму.
Рекомендуемые сообщения
Для публикации сообщений создайте учётную запись или авторизуйтесь
Вы должны быть пользователем, чтобы оставить комментарий
Создать аккаунт
Зарегистрируйте новый аккаунт в нашем сообществе. Это очень просто!
Регистрация нового пользователяВойти
Уже есть аккаунт? Войти в систему.
Войти