rinatus007 Опубликовано 7 ноября, 2011 Опубликовано 7 ноября, 2011 Вылетела еще одна клепка ограничителя двери! теперь уже две!
Thunder Truck Опубликовано 7 ноября, 2011 Опубликовано 7 ноября, 2011 Вылетела еще одна клепка ограничителя двери! теперь уже две! у меня тоже позавчера на левой задней вылетела, хороши то под ноги, была найдена и вставлена обратно. слегка офигел от такого поведения и конструкции. п.с. сама средняя стойка слабоватая какая то (тонкий металл?). когда задние двери открыта до упора и начинаешь еще немного на себя тянуть - видно как ограничитель тянет за собой стойку, металл стойки играет, выгибается. ни на одно машине такого не видел.
rinatus007 Опубликовано 7 ноября, 2011 Опубликовано 7 ноября, 2011 Вылетела еще одна клепка ограничителя двери! теперь уже две! у меня тоже позавчера на левой задней вылетела, хороши то под ноги, была найдена и вставлена обратно. слегка офигел от такого поведения и конструкции. п.с. сама средняя стойка слабоватая какая то (тонкий металл?). когда задние двери открыта до упора и начинаешь еще немного на себя тянуть - видно как ограничитель тянет за собой стойку, металл стойки играет, выгибается. ни на одно машине такого не видел. Ага - металл тоже заметил ....
yanis Опубликовано 7 ноября, 2011 Опубликовано 7 ноября, 2011 Их снизу можно развальцевать.У меня раз 15 вылетал с задней левой двери.
rinatus007 Опубликовано 7 ноября, 2011 Опубликовано 7 ноября, 2011 Их снизу можно развальцевать.У меня раз 15 вылетал с задней левой двери. Вылетало - пока я не поставил на самоблокировкины винты с гайками по моему М6
Reg 56 Опубликовано 8 ноября, 2011 Опубликовано 8 ноября, 2011 Их снизу можно развальцевать.У меня раз 15 вылетал с задней левой двери. Вылетало - пока я не поставил на самоблокировкины винты с гайками по моему М6 Кто то постил здесь: тонким сверлом отверстие внизу и шплинт. Забивание и развальцовывание не очень помогают.На 16 раз у мну он пропал,недедю ездил с обрезком гвоздя на 120! потом болтик подобрал.
neon416 Опубликовано 18 ноября, 2011 Опубликовано 18 ноября, 2011 Нашел источник половины сверчков в салоне. Потолочные ручки. Дешевка чудовищная. Лечится вкладыванием шайб из поролона и т.п. После снятия что и куда пихать - очевидно.
KSS Опубликовано 23 ноября, 2011 Опубликовано 23 ноября, 2011 Не знаю, косяк или нет, мелкий или не очень - при температуре двигателя 102 градуса (в пробке) борт. комп орет, что т-ра критическая и чревата перегревом. Вопрос - какая т-ра действительно является критической? Знаю, что где-то есть тема по перегреву, но найти на просторах сайта не смог - заблудился...
иванко Опубликовано 23 ноября, 2011 Опубликовано 23 ноября, 2011 Не знаю, косяк или нет, мелкий или не очень - при температуре двигателя 102 градуса (в пробке) борт. комп орет, что т-ра критическая и чревата перегревом. Вопрос - какая т-ра действительно является критической? Знаю, что где-то есть тема по перегреву, но найти на просторах сайта не смог - заблудился... зимой перегрев???
KSS Опубликовано 23 ноября, 2011 Опубликовано 23 ноября, 2011 Не знаю, косяк или нет, мелкий или не очень - при температуре двигателя 102 градуса (в пробке) борт. комп орет, что т-ра критическая и чревата перегревом. Вопрос - какая т-ра действительно является критической? Знаю, что где-то есть тема по перегреву, но найти на просторах сайта не смог - заблудился... зимой перегрев??? Формально пока осень, реально на улице около нуля, так какая т-ра допустима? Да, стрелка прибора горизонтальна, т.е. как обычно ведет себя и не поднимается. Но комп сигнализирует. Поянтно, что могу порог другой задать, но какой???
Шевцов Опубликовано 23 ноября, 2011 Опубликовано 23 ноября, 2011 если у тебя 3,2 то при 110 гр вкл вторая скорость вентилятора-вот её и вбей в комп и он заткнётся 1
Reg 56 Опубликовано 24 ноября, 2011 Опубликовано 24 ноября, 2011 если у тебя 3,2 то при 110 гр вкл вторая скорость вентилятора-вот её и вбей в комп и он заткнётся У мну стоит в компе граница 106, после этого комп орать начинает. За всё лето орал лишь однажды, в пробке,с кондишином, но венты через минуту снизили её до 102.
Юджин Опубликовано 6 февраля, 2012 Опубликовано 6 февраля, 2012 Форумчане! Два раза подряд ловил глюк (грешу на иммобилайзер, однако, возможно кто-то знает истинную причину): при постановке ключа в положение "запуск", ничего не происходит, словно цепь на втягивающее реле не замыкается вовсе (собственно говоря, так и есть). Минутные перекуры решали проблему, однако беспокоюсь, как бы это не стало системой...
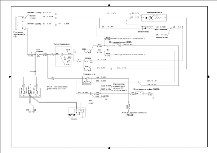
neon416 Опубликовано 6 февраля, 2012 Опубликовано 6 февраля, 2012 Форумчане! Два раза подряд ловил глюк (грешу на иммобилайзер, однако, возможно кто-то знает истинную причину): при постановке ключа в положение "запуск", ничего не происходит, словно цепь на втягивающее реле не замыкается вовсе (собственно говоря, так и есть). Минутные перекуры решали проблему, однако беспокоюсь, как бы это не стало системой... Иммобилайзер на стартер не влияет. Варианты такие: 1. Сигналка 2. Переключатель ингибитора АКПП 3. Реле стартера 4. Сам стартер 5. Замок зажигания 6. Проводка
captainandy Опубликовано 7 февраля, 2012 Опубликовано 7 февраля, 2012 Пункт 2, если напряжение АКБ в норме,попробовать перевести ручку с Р в N. ПС тоже ловился
Army Опубликовано 7 февраля, 2012 Опубликовано 7 февраля, 2012 Не нашёл поиском, года полтора-два тому назад на форуме кто-то маялся этим, помню вылечилось просто, а вот что ...? Дело за Юджином, направления поисков он получил верные, теперь с него отчёт.
polkin Опубликовано 7 февраля, 2012 Опубликовано 7 февраля, 2012 У меня такое было сразу после покупки и установки сиги у дилера. Звонил им, требовал эвакуатор. На следующий день как ни в чем ни бывало машина завелась. Съездил к дилеру, не знаю что они там делали, но с их слов никаких косяков не нашли. Но с тех пор такой глю
Юджин Опубликовано 7 февраля, 2012 Опубликовано 7 февраля, 2012 Докладываю. Глюк повторился вновь. Проявляется исключительно (надеюсь) после отстоя машины на улице. Перевод селектора АКПП из P в N ни к чему не привёл. Подождал-подождал, начал дёргаться. Запустилась после задержки ключа в положении "запуск" несколько секунд. Давайте думать, куда рыть дальше. Релюшки вроде бы все щёлкают, и, как мне показалось, запуск после выдержки ключа в положении "Запуск" не сопровождался щелчком реле. Загадка природы, выматывающая нервы.
AndreyA100 Опубликовано 7 февраля, 2012 Опубликовано 7 февраля, 2012 (изменено) Докладываю. Глюк повторился вновь. Проявляется исключительно (надеюсь) после отстоя машины на улице. Перевод селектора АКПП из P в N ни к чему не привёл. Подождал-подождал, начал дёргаться. Запустилась после задержки ключа в положении "запуск" несколько секунд. Давайте думать, куда рыть дальше. Релюшки вроде бы все щёлкают, и, как мне показалось, запуск после выдержки ключа в положении "Запуск" не сопровождался щелчком реле. Загадка природы, выматывающая нервы. А схему посмотреть + прозвонить? (они тут на форуме есть) Там кроме замка зажигания есть 1 предохранитель, пусковое реле и концевик ингибитора (ручки АКПП), и все. Больше ломатся нечему. Изменено 7 февраля, 2012 пользователем AndreyA100
Юджин Опубликовано 7 февраля, 2012 Опубликовано 7 февраля, 2012 Схему прозвонить проблематично, ибо в одиночку это сделать тяжело (один должен звонить, второй - ключ давить). Буду думать, как это осуществить. Старшего ребёнка привлечь тяжело - он в школе.
AndreyA100 Опубликовано 7 февраля, 2012 Опубликовано 7 февраля, 2012 Схему прозвонить проблематично, ибо в одиночку это сделать тяжело (один должен звонить, второй - ключ давить). Буду думать, как это осуществить. Старшего ребёнка привлечь тяжело - он в школе. воткни лампочку паралельно контактам замка. ток через лампочку позволит прозвонить цепи но не даст случайно коротнуть.
Юджин Опубликовано 7 февраля, 2012 Опубликовано 7 февраля, 2012 Я так понял, на наших машинках с АКПП 339 провода нет, всё идёт через "ингибитор АКПП" (убить бы переводчика!)? Ну и надо заглянуть в сигналку - где-то, видимо, разрыв в эту же цепь вставлен.
captainandy Опубликовано 7 февраля, 2012 Опубликовано 7 февраля, 2012 (изменено) Вместе с реле стартера еще реле бензонасоса включается, без стартера его слышно..Так вот, при данном глюке реле бензонасоа включается только в Р и N, в остальных положениях молчит.Стартер вообще не включается.Померь напряжние в бортсети.Если привключенном зажигании меньше 11,9в, заряди аккумулятор.Блокировка рычага Акпп может сниматься(если более 10,9в), а стартер-нет.Когда еще аккум додохнет, и рычаг заблокируется.Все имхо, из моих опытов на прошлой неделе Но она все таки завелась и ездит! 339 только на механике...На сигналку обычно ставят разрыв цепи бензонасоса. Изменено 7 февраля, 2012 пользователем captainandy
Рекомендуемые сообщения
Для публикации сообщений создайте учётную запись или авторизуйтесь
Вы должны быть пользователем, чтобы оставить комментарий
Создать аккаунт
Зарегистрируйте новый аккаунт в нашем сообществе. Это очень просто!
Регистрация нового пользователяВойти
Уже есть аккаунт? Войти в систему.
Войти